Kai Cong
- 22 years old
- Senator, I'm Singaporean 🇸🇬
- I make and break things
Hello! I’m Kai Cong, welcome to my little blogfolio!
I’ve been on a quest to become a “full-stack engineer” since I was 9 years old.
That is, mastering the domains of Mechanical, Electrical and Software Engineering through robotics!
Visit my About page to learn more about my experience, or take a look at my Projects page to see what I’ve been working on!
Object Tracker with FPGA
EE2026: Using a single FPGA to make an object tracker with full GUI for user customisation.
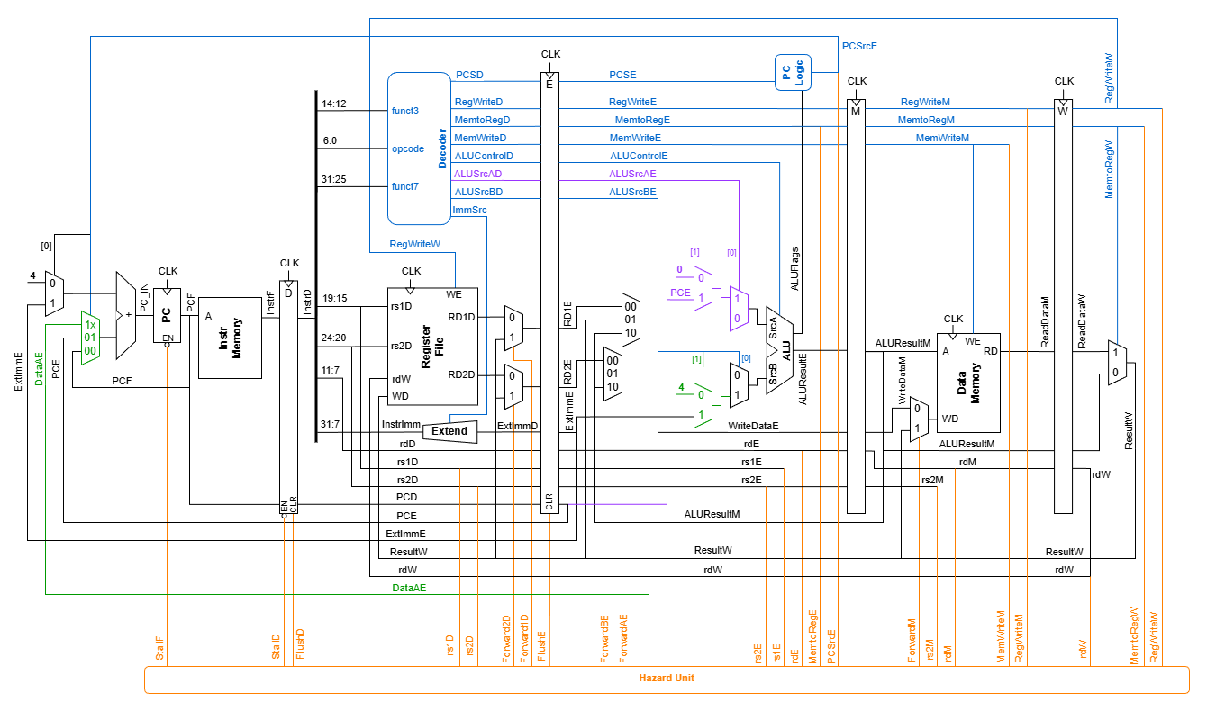
RISC-V CPU with FPGA
CG3207: Implementing a RISC-V CPU on a Nexys4 FPGA board
Reinforcement Learning with Humanoid Robots
Training RL walking policies for humanoid robots on IsaacLab
Autonomous Pick and Place Robot Arm
Deploying SoTA detection and segmentation models to pick and place objects
Underwater Acoustic Positioning System
Determining azimuth and elevation of an underwater pinger from an Autonomous Underwater Vehicle.
Telemetry and Teleoperation of an mBot
EE2111A: Making a children's toy do things it was never meant to do